




Spectrum 210
Why Choose the Bathology Spectrum 210
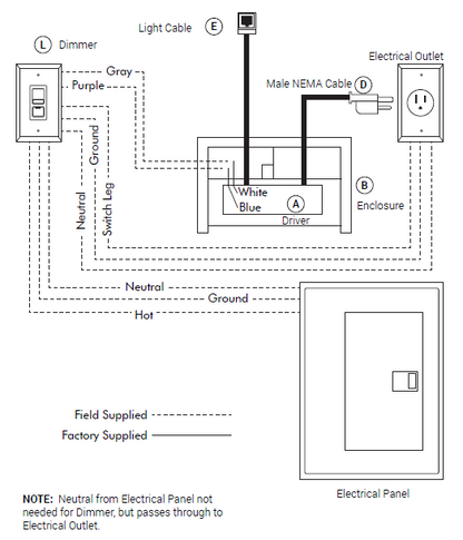
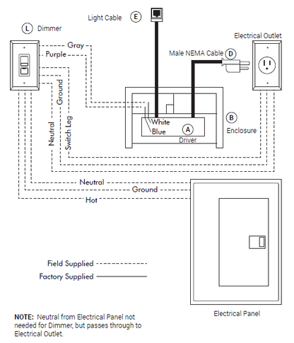
The Bathology Spectrum 210 from Bathology delivers quality and performance. Color Bathing LED Lighting System, Single Zone
What Makes It Stand Out
- Bathology Quality: Bathology manufactures to professional standards with attention to detail.
- Reliable Performance: Built to deliver consistent results session after session.
- Expert Support: Call SweatDecks at 817-371-0089 for product guidance and installation help.
- Fast Shipping: Free shipping on orders over $99. Most items ship within 1-2 business days.
Who It's For
Anyone seeking quality steam lighting backed by expert support and Bathology reliability.
Color Bathing LED Lighting System, Single Zone Rediscover Bathing and create a multi-sensory experience in your steam shower with intense chromotherapy in-shower lighting from Bathology. The Spectrum 210 Color Bathing LED Lighting System delivers mood-setting ambiance and visual clarity right where it's needed..
Specifications
- Model: Spectrum 210
- SKU: 800-SPECTRUM210-PC
- Manufactured by: Bathology
Shipping & Support
Free shipping on orders over $99. Professional customer support available. All products backed by manufacturer warranty.
Shipping & Returns
Most items ship within 3-5 business days. Large items ship via freight carrier with curbside delivery included. Professional installation available. 30-day return policy.
Warranty & Support
All products include manufacturer warranty (2-5 years). Our wellness experts are available Monday-Friday, 9am-6pm CST at 817-371-0089 or howdy@sweatdecks.com.
Pairs well with

Spectrum 210
Product Details
What Our Customers Say
Their attention to detail was outstanding, and they were incredibly easy to work with. The team was knowledgeable, responsive, and brought great design ideas to our project.
We love our sauna and cold plunge! We have used them without fail everyday since they have been installed. Working with Brandon has been super easy and responsive.
Sweat Decks crushed expectations and got me my dream outdoor spa. It's been so nice to be able to rely on them to get the work done right the first time.
Great product, great service. The cold plunge is fantastic quality and the entire team was professional from start to finish.
Our backyard spa setup turned out amazing. The barrel sauna is beautiful and works perfectly. Highly recommend Sweat Decks for anyone looking to build their home wellness space.
The responsive staff made the whole process seamless. From initial consultation to installation, everything was handled with care and expertise.
If you have any questions, you are always welcome to contact us. We'll get back to you as soon as possible, within 24 hours on weekdays.
-
Shipping Information
Orders typically ship within 3-5 business days. Large items like saunas and cold plunge tubs ship via freight carrier and include curbside delivery. White-glove delivery and professional installation services are available for an additional fee.
-
Customer Support
Our wellness experts are available Monday through Friday, 9am-6pm CST. Call us at 817-371-0089 or email howdy@sweatdecks.com. We typically respond to emails within 24 hours.
-
FAQ's
All products come with manufacturer warranties (2-5 years). Cold plunge tubs require 120V; most saunas require 240V. We recommend professional installation for electrical connections.
-
Contact Us
Phone: 817-371-0089 | Email: howdy@sweatdecks.com | Hours: Monday-Friday, 9am-6pm CST. Visit our Contact page for detailed inquiries.
