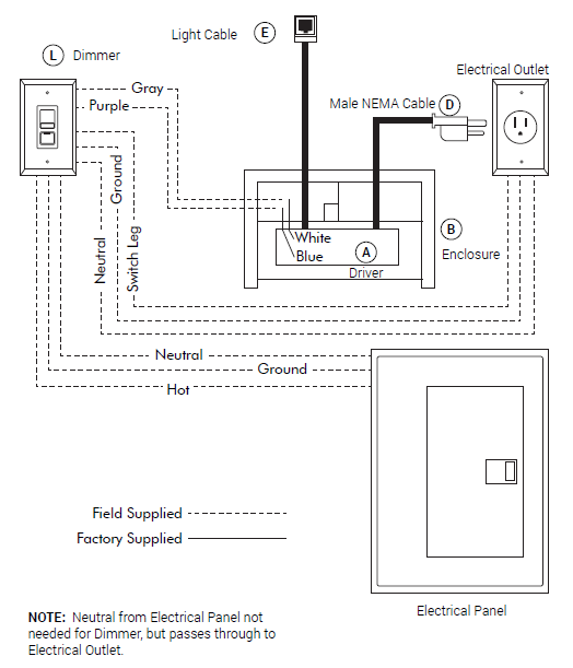
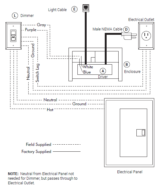
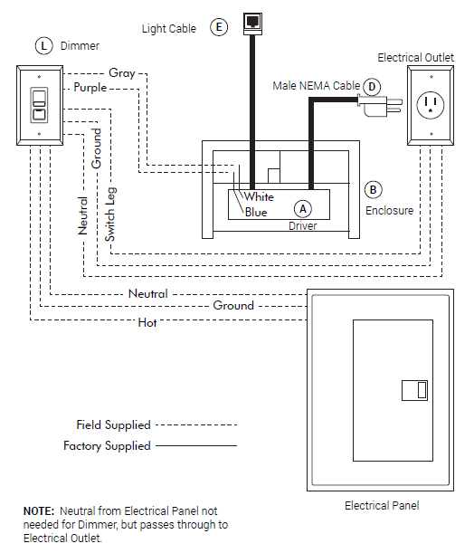
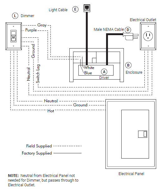
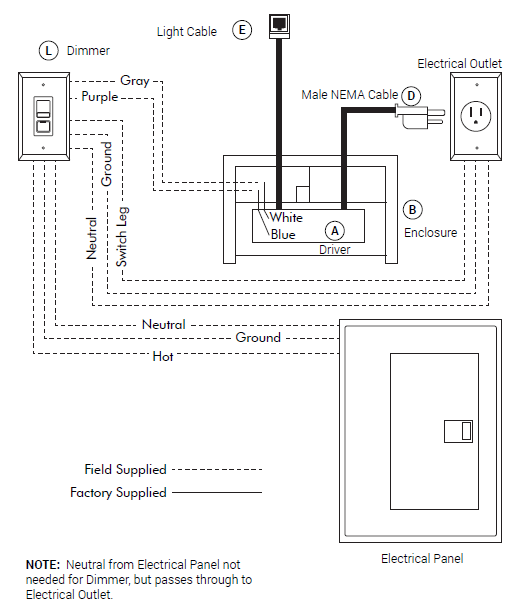
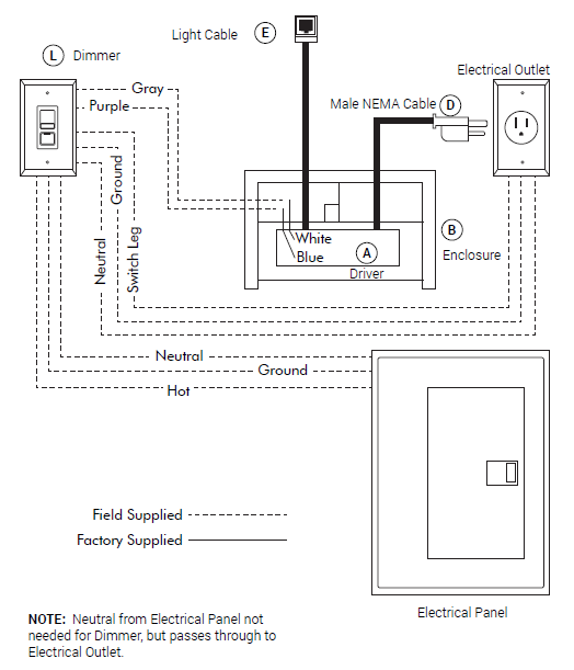
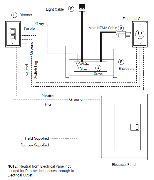
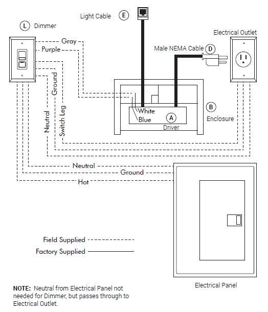
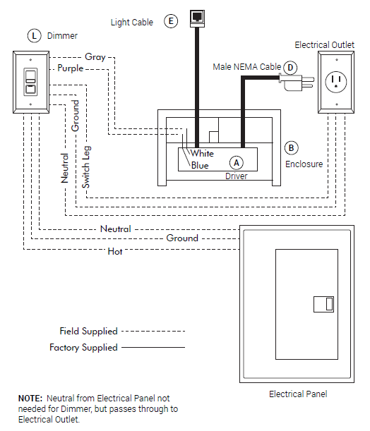
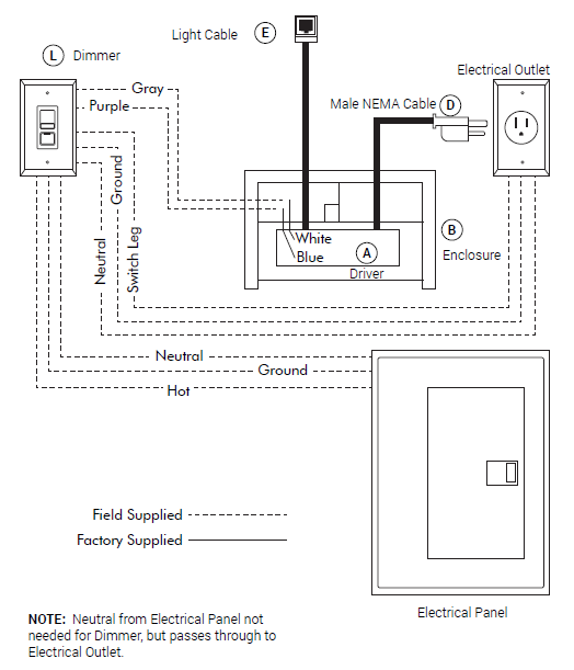
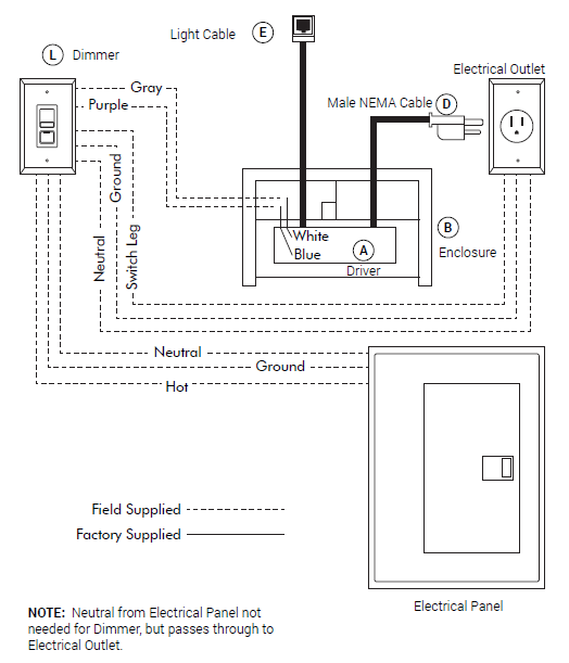
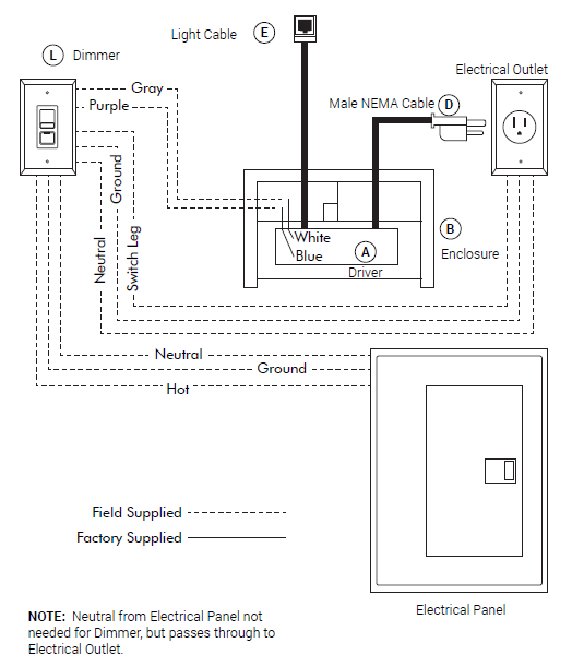
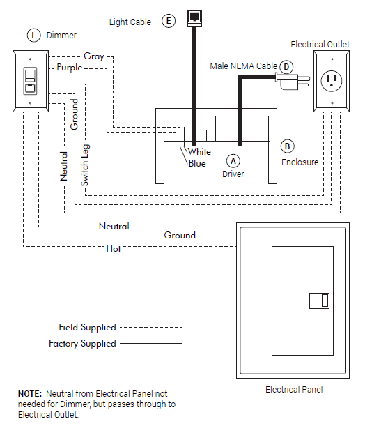
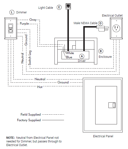
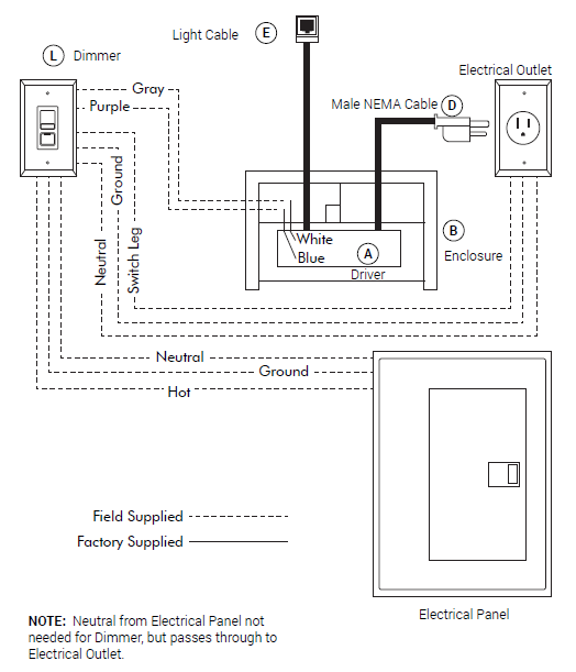
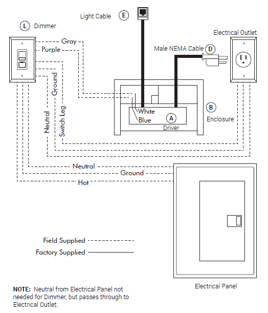
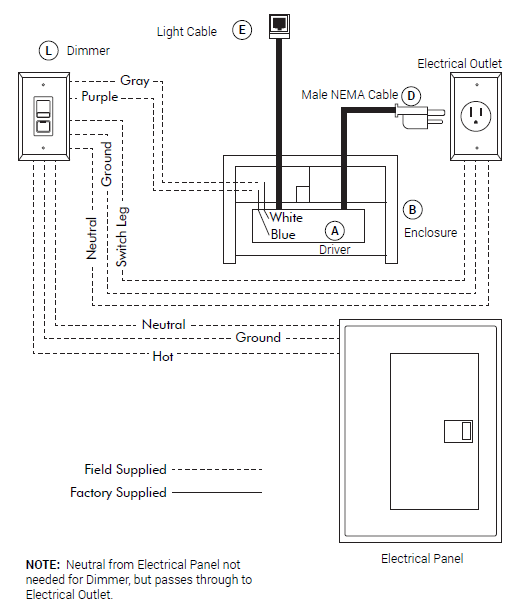
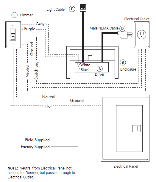
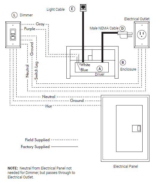
Steam Accessories
Steam Room Accessories — Seats, Lighting, Aromatherapy & Controls
Outfit your steam room with accessories designed for high-humidity, high-temperature environments. This collection includes steam-rated seats and benches, waterproof LED lighting systems, aromatherapy oil injectors, speaker systems rated for steam exposure, and towel warmers.
We carry accessories from Mr. Steam, Baltic Leisure, and other commercial-grade steam equipment manufacturers. All products are rated for continuous exposure to 100% humidity and temperatures up to 130°F — standard bathroom fixtures are not designed for these conditions and will fail prematurely in a steam room.
AudioX System w/ Bluetooth Speakers
Need help choosing?
Our wellness experts can help you find the perfect product. Email us at howdy@sweatdecks.com or call 817-371-0089.




































































