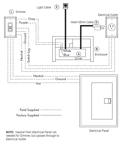
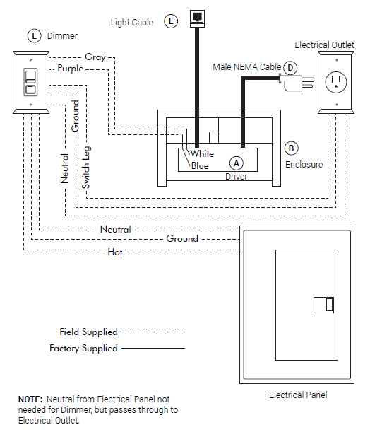
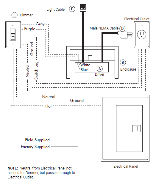
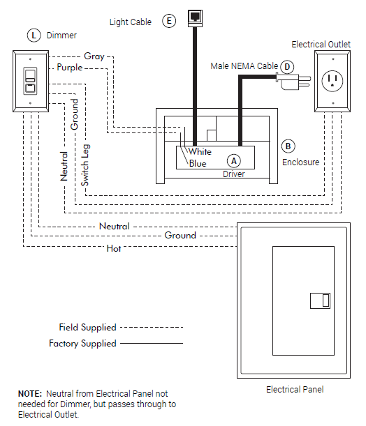
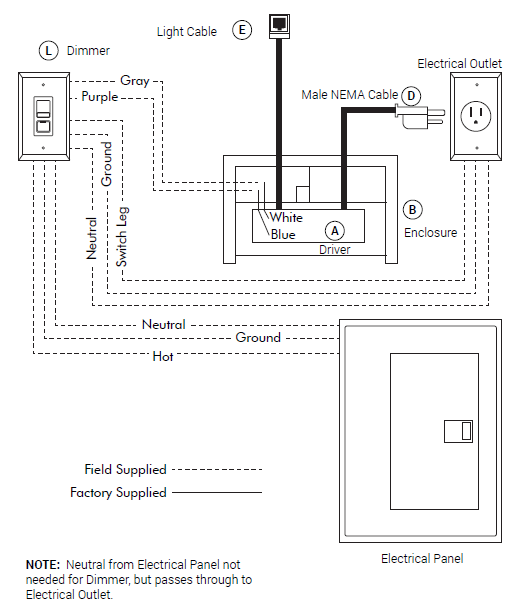
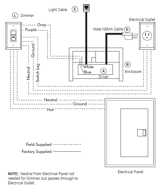
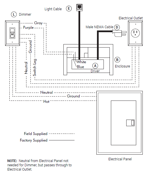
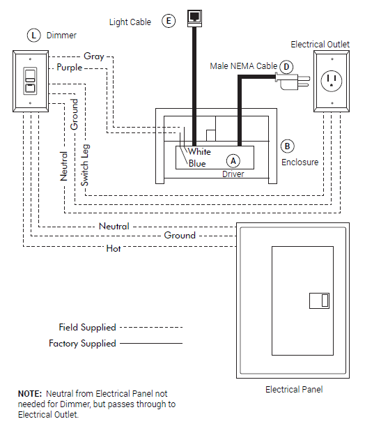
Building Materials
Sauna Building Materials — Wood, Insulation, Vapor Barriers & Hardware
Building a custom sauna from scratch? We supply the specialty building materials that standard lumber yards do not carry. Our inventory includes kiln-dried sauna-grade wood panels (Western red cedar, hemlock, aspen, alder, and thermowood), pre-cut bench boards, vapor barrier foil rated for high-heat environments, and all the fasteners, trim, and finishing materials you need.
Standard construction materials are not rated for the sustained heat and moisture inside a sauna — using the wrong insulation, vapor barrier, or wood species leads to off-gassing, warping, mold, and premature failure. Every product in this collection is specifically engineered for sauna conditions up to 230°F and near-100% humidity.
Need help choosing?
Our wellness experts can help you find the perfect product. Email us at howdy@sweatdecks.com or call 817-371-0089.
















































